您好,欢迎来到 河南大宇锅炉有限公司 !
关于我们
|
联系我们
7*24小时热线 : 13027764446
网站首页
关于我们
大宇简介
风采展示
大宇荣誉
大宇资质
大宇视频
产品展示
电热锅炉
燃油燃气锅炉
生物质锅炉
蒸汽发生器
开水锅炉
撬装集装箱燃油气锅炉
导热油炉
撬装导热油锅炉
真空锅炉
余热锅炉
热风锅炉
反应釜
蒸压釜
木材防腐罐,硫化罐
过热蒸汽锅炉(超高温)
SZS膜式壁蒸汽锅炉
模温机
培训中心
客户案例
生物质锅炉
电热锅炉
燃油气锅炉
贯流锅炉
低氮锅炉
新闻中心
公司新闻
行业新闻
联系我们
走进大宇
辅机和配件
生产车间
锅炉安装图
售后服务
首页
> 锅炉安装图
产品中心
电热锅炉
燃油燃气锅炉
生物质锅炉
蒸汽发生器
开水锅炉
撬装集装箱燃油气锅炉
导热油炉
撬装导热油锅炉
真空锅炉
余热锅炉
热风锅炉
反应釜
蒸压釜
木材防腐罐,硫化罐
过热蒸汽锅炉(超高温)
SZS膜式壁蒸汽锅炉
模温机
联系我们
河南大宇锅炉有限公司
联系电话:
13027764446
E-mail:
13027764446@139.com
地址:
河南安阳
官方微信
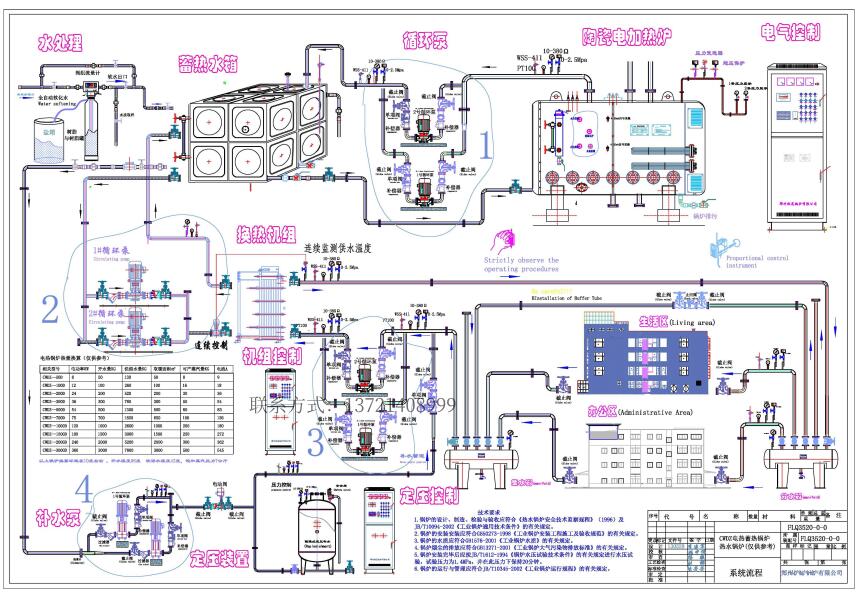
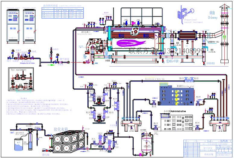
锅炉安装图
锅炉安装效果图
锅炉安装效果图
锅炉安装效果图
锅炉安装效果图
电加热锅炉安装效果图
燃气模温机安装效果图
开水锅炉安装效果图
燃气锅炉安装效果图
首页
上页
1
下页
尾页
共 8 条